名古屋市建築基準法施行細則第17条
(道路の位置の指定の基準)
第17条 法第42条第1項第5号の規定による道路の位置の指定を受けようとする場合には、令第144条の4第1項に定めるもののほか、次に掲げる基準を満たさなければならない。
(1) 側溝の構造は、産業標準化法(昭和24年法律第185号)に基づく日本産業規格A5372を標準として、接続前面道路の側溝の構造と同じ形式とし、必要に応じ、補強コンクリート等で保護し、変形又は破損のおそれのないものとすること。ただし、当該道路の管理者の指示がある場合は、それに従うこと。
(2) 接続前面道路の側溝又は水路等の施設に土砂の流入のおそれがある場合は、道路の位置の指定を受ける道路の側溝の適当な箇所に集水ます等を設けること。
(3) 側溝等の施設は、接続前面道路の側溝等他の有効な排水施設に接続すること。
(4) 道路の位置の指定を受ける道路の路面は簡易舗装仕上げ(アスファルトコンクリート表層厚さ50ミリメートル、プライムコート)を、路盤は採石転圧厚さ100ミリメートルを標準とし、通行の安全上支障ないものとすること。ただし、縦断勾配が9パーセントを超える部分を有する場合は、その部分はコンクリート造滑り止め仕上げとすること。
(5) 道路の位置の指定を受ける道路内に上下水道、ガス等の施設を設置する場合は、保安上有効な構造とすること。
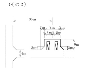
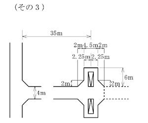
(6) 接続前面道路の幅員が11メートル未満の場合は、接続部に、別図1及び別図2に示す規模以上の隅切りを設けること。ただし、周囲の状況によりやむを得ないと認めるときは、別図3に示す規模以上の隅切りとすることができる。
(7) 転回広場の形状は、別図4に示すものに準じていること。
(8) 戸建住宅又は長屋建住宅の販売、宅地の分譲等の用に供する目的で道路の位置の指定を受けようとする場合にあっては、次のア及びイに適合するよう敷地の形状及び規模をあらかじめ定めること。
ア 袋路状の道路の位置の指定を受けようとする道路に通路部分のみによって接する敷地は、当該道路に2.5メートル以上接していること。
イ 一戸ごとの敷地面積は、第1種低層住居専用地域、第2種低層住居専用地域、第1種中高層住居専用地域、第2種中高層住居専用地域、第1種住居地域、第2種住居地域、準住居地域、準工業地域及び工業地域内にあっては100平方メートル以上とすること。










このページに関するお問い合わせ
住宅都市局 建築指導部 建築指導課 道路審査担当
電話番号:052-972-2928 ファクス番号:052-972-4159
Eメール:a2928@jutakutoshi.city.nagoya.lg.jp
住宅都市局 建築指導部 建築指導課 道路審査担当へのお問い合わせ